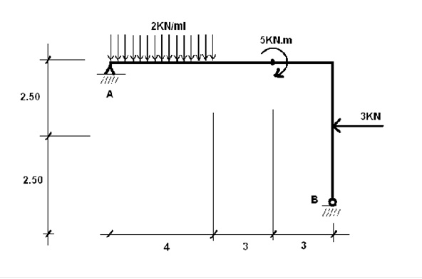
Question N°1 / 50%
- Calculer les réactions d’appuis.
- Exprimer les variations de N,T,Mf le long de AB.
- Tracer les variations de Mf le long de AB.
Question N°2 / 50%
- Calculer les réactions d’appuis.
- Définir les efforts dans les barres.
Afin de comprendre le comportement et les mécanismes d’action des fibres dans le béton, il paraît essentiel de rappeler le contexte de développement de ce matériau, ainsi que les principales caractéristiques actuelles qui justifient son utilisation. Par la suite, nous présenterons le principe de fonctionnement général de ce matériau au travers d’une description rapide des matériaux de base, de la formulation et de la mise en oeuvre.
Les bétons renforcés de fibres métalliques ont fait l’objet de beaucoup d’efforts de recherche ces trente dernières années. L’étude de la propagation des fissures dans une matrice renforcée a été à l’origine du développement des béton de fibres [Romualdi, 1963]. Cette publication a attirée l’attention des chercheurs et des industriels et a ouvert la voix de la recherche sur les bétons de fibres. L’idée d’ajouter des fibres dans le béton afin de le rendre plus homogène est cependant bien plus ancienne. Déjà, en 1910 en France, H.Alfsen proposa d’ajouter des fibres longues à base de bois et d’autres matériaux afin d’améliorer les propriétés en traction du béton [Jacek Katzer, 2000].
Durant les années 80, les bétons renforcés de longues fibres métalliques se sont développées. Les chercheurs on examiné les propriétés de la micro-structure de ce nouveau matériau en espérant pouvoir l’utiliser en remplacement du béton armée.
Les bétons de fibres font encore à l’heure actuelle l’objet d’importantes recherches. Notons que l’utilisation de fibres est peu à peu diversifiée (utilisation de fibres de formes et de composition variée). A partir de 1995 -1997 les chercheurs se sont aperçu que l’amélioration des propriétés mécaniques des BFM ne pouvait se faire qu’en considérant une analyse complète des besoins de l’ouvrage et de la capacité du béton (distribution du squelette granulaire, type de ciment et dosage, maniabilité). Ainsi, il est envisagé d’utiliser les bétons de fibres pour des ouvrages de structure, avec l’objectif industriel d’emploi des bétons de fibres en conception d’éléments porteurs de bâtiments.
Il existe actuellement plus d’une trentaine de types de fibres [Jacek Katzer, 2000]. Le tableau suivant rend compte des principales catégories de fibres et de leurs propriétés. Il est également possible de séparer dans la famille des bétons de fibres, les fibres d’origines naturelles des fibres d’origine manufacturées.
Les fibres d’origine naturelle peuvent être organiques, comme le cellulose, le jute ou le bambou ou minérale. Les fibres manufacturées comptent les fibres d’acier, de titane, de carbone, mais peuvent être de type polymère (nylon, aramide poly-éthylène).
Le tableau ci-dessous présente une liste des différents types de fibres en fonctions de leurs caractéristiques respectives :
Afin de caractériser une fibre dans un mélange cimentaire, on peut distinguer une fibre par son action de enforcement qui peut être continue ou discontinue [A.Naaman, 200.] Un renforcement est considéré comme discontinu lorsque la longueur du renfort est petite en comparaison de celle de la dimension de l’élément de béton étudié. Les fibres métalliques que nous allons étudier présentent des caractéristiques particulières et des dimensions courtes ou longues selon les caractéristiques mécaniques souhaitées. Nous expliciterons les différences observées.
En ce qui concerne l’utilisation des fibres métalliques, il est possible de choisir des formes, des tailles variées. Parmi les caractéristiques principales on peur citer le diamètre, la longueur, la surface spécifique, la forme, la géométrie de la section transversale. Les propriétés ainsi recherchées sont la ductilité, l’ancrage dans la matrice cimentaire, la maniabilité lors du coulage sur chantier. Il est également important de préciser que l’on recherche par ailleurs des propriétés intrinsèques du matériau, comme son module d élasticité. La variété des formes et des types de fibre est due à l’influence des paramètres dimensionnels sur les grandeurs caractéristiques du matériau (contrainte post fissuration par exemple). Les chercheurs ont donc essayé de modifier le comportement du matériau en réalisant des formulations variées.
Les différentes formes de fibres qui sont présentées ci-dessous reflètent bien la volonté d’optimiser la surface d’adhérence au niveau de l’interface matrice fibre, mais également l’ancrage aux extrémités des fibres.
On note que les fibres les plus souvent utilisées sont à section circulaires avec un diamètre pouvant aller de 0.4 à 0.8 mm et des longueurs de 25 à 55 mm. Pour des raisons de fabrication que nous décrirons par la suite, les BFM classique présentent un taux de fibre faible, de l’ordre de 2 à 5 %.
L’action principale des fibres dans le béton est de reprendre les efforts de traction ne pouvant être repris par le béton pure. Les fibres empêchent la propagation des fissures au sein de la matrice cimentaire et agissent à pour le matériau comme des armatures de structure.
On distingue les bétons de fibres métalliques « classique », des bétons de fibres à ultra haute performance, par plusieurs caractéristiques. Les bétons de fibres à ultra haute performances présentent un pourcentage de fibre supérieure et une optimisation du squelette granulaire. Il est intéressant de remarquer que la volonté d’amélioration de la résistance mécanique caractéristique du béton dépend, de la granulométrie (également du dosage en liant).
La conception des bétons de fibre est basée sur la maitrise de la fissuration, et on sait par ailleurs que des paramètres dimensionnels comme la taille du plus gros granulat on une influence directe sur la fissuration. Il vient donc que la fissuration est directement liée à la granulométrie.
La figure présente les courbes de contrainte déformation comparatives, d’un béton de fibres classique et d’un béton de fibre à ultra haute performance. On remarque que la rigidité est importante et a pour conséquence une phase élastique courte Les comportements des deux matériaux différents par l’écrouissage, c’est-à-dire l’ action des fibres dans la phase plastique. On note que la ductilité maximum est apportée par l’action des micro fibres dans le BFUP car celui-ci présente également une compacité très importante et une taille de plus gros granulat très faible. Le graphique met en évidence, deux contraintes caractéristiques SIGMA cc et SIGMA pc qui représentent respectivement la contrainte élastique de fissuration et la contrainte maximum de rupture en post fissuration.
La fabrication et la mise en oeuvre sont deux conditions essentielles pour permettre à un matériau d’être retenu comme matériau de construction en tant que tel. L’introduction de fibre dans la pâte de ciment a pour conséquence une réduction importante de la maniabilité du BFM. Ce phénomène est la cause de bien des problèmes d’élaboration d’une formulation d’un béton de fibre. Actuellement, il n’existe pas d’outil informatique permettant d’établir avec certitude une formulation. Cette démarche est donc expérimentale et consiste à prendre en compte un certain nombre de paramètres souvent interdépendants. Pour une maniabilité équivalente, il est possible d’ajouter beaucoup de fibres de petites longueurs que de fibres de grandes longueurs. La dimension du renfort a donc une influence directe sur la maniabilité.
On serait tenté de croire qu il suffit d utiliser des fibres très fines afin de s’affranchir de ce problème. En réalité, la couture mécanique des macro fissures ne peut se faire que lorsque la longueur de la fibre est au moins supérieur ou égale à deux fois la taille du plus gros granulat.[BENTOUR, 90]. Cette observation nous permet de dire qu’il faut être en mesure de comprendre et de caractériser la granulométrie et l’introduction de fibre pour obtenir une maniabilité optimum. Afin de réduire les effets générés par l’introduction de fibres dans la pâte de ciment à l’état frais, il est actuellement utilisé des adjuvants dont la mise au point date des années 80 et 90. Les super plastifiants et les fluidifiant ont pour but d’éviter la ségrégation et d’optimiser l étalement du béton. On remarque d’un point de vue expérimental que les méthodes Baron Lesage et la méthode LCR permettent de caractériser la maniabilité d’un béton de fibre en relation avec le pourcentage de fibre, la compacité, le type de fibre utilisé. Il est notamment mi en évidence que la maniabilité dépend du rapport sable/ (sable + graviers). Ces méthodes sont utilisées en laboratoire afin de préciser le comportement de chaque constituants et d’établir ainsi une formulation optimum de béton pour des applications futures sur chantier. Il est important de noter que les bétons de fibres métalliques présentent un inconvénient majeur lié aux conditions de coulage sur chantier.
L’orientation des fibres au sein du béton nous apporte le comportement fortement anisotropique du matériau. Lorsque le béton est coulé, les fibres sont orientées de façon désordonnées mais lorsque le béton s’étale horizontalement dans un coffrage, les fibres s’orientent dans le sens longitudinal suivant les lignes de courant de l’écoulement visqueux. Il y a donc des disparités importantes, des effets de parois peuvent également survenir comme dans le cas de béton projetés ce qui modifie la conception que nous devons avoir de ces éléments. Il apparaît évident que l’action des fibres dans le béton ne sera pas la même selon les cas envisagés ci-dessus.
On retiendra en conclusion que les phénomènes observables sont l’effet de voute, de paroi, la ségrégation, l’agglomération ou l’appauvrissement des fibres. Il appartient au laboratoire d’avoir la capacité expérimentale de reproduite et d’analyser ces phénomènes dans le but d’améliorer les propriétés du matériau.
Crédit photo : osde8info @ Flickr
